Skip to content Skip to sidebar Skip to footer

Widget HTML #1

Two Types Of Dimensioning System

Two Types Of Dimensioning System. The basic types of dimensioning are linear, radial, angular, ordinate, and arc length. They may be placed so they read from the bottom of the sketch (unidirectional dimensions) or from the bottom and right side (aligned dimensions).

Dimensioning - Its Types, System, Principles. [A Comprehensive Guide].
Dimensioning - Its Types, System, Principles. [A Comprehensive Guide]. from civilseek.com

Basic types of dimensioning used in engineering drawings. Similarly, what are the two system of dimensioning? You can create several types of dimensions for a variety of object types in many orientations and alignments.

In General, Dimensioning Systems Fall Into Two Major Categories:


It is a analogue distance between any two points of an bow. How many types of dimensioning are there? First we must understand a coordinate system to define our directions and relative position.

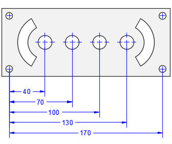
The Basic Types Of Dimensioning Are Linear, Radial, Angular, Ordinate, And Arc Length.


The two systems of placing dimensions are aligned system and unidirectional system. Also, what is dimensioning in drafting? In the aligned system, the dimension is placed perpendicular to the dimension line.

Know More About It Here.


Dimensioning providing information on a drawing about distances (size or functional dimensions) sizes and positions (location or datum dimensions) of holes, grooves and other features. Learners examine the basic types of dimensioning including unidirectional and aligned systems, and linear, aligned, angled, arrowless, chain, datum, chart, tabular, radius, diameter, typical, and reference dimensions. This occurs when multiple tolerance errors are added together.

Two Types Of Dimensioning System.


What are the two system of dimensioning? The basic types of dimensioning are linear, radial, angular, ordinate, and arc length. Each dimension should be given clearly.

Lines To Be Used Are Always Thin Continuous Line.


The basic types of dimensioning are linear, radial, angular, ordinate, and arc length. Use the dim command to create dimensions automatically according to the object type that you want to dimension. That second category—parcel dimensioners—can be further broken down into two types of units:

Post a Comment for "Two Types Of Dimensioning System"